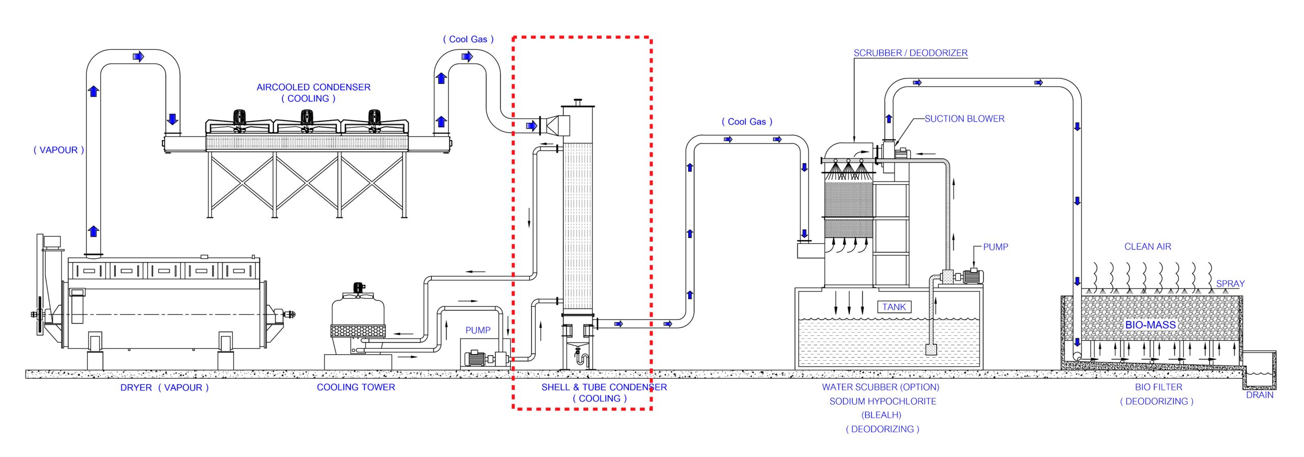
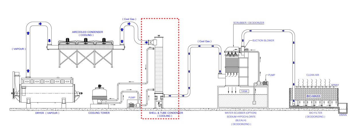
Shell & Tube condenser

The ASTW shell & tube condenser sues cooled water that surround stainless tubes to condense waste vapour running inside the tubes.

It uses a cooling tower to cool the water, and the size of the cooling tower is important to create the correct condensation of vapour.

The cooling water is recycled but some water evaporates, so about 2-3% of the circulation volume of fresh water has to be added per hour
(Example: with 300 ton/hr circulation, 6 tons of fresh water/hr needs to be added).

Since the condensing effect is dependent on the size and capacity of the dryer and how much air is mixed with the vapour, the capacity will have to be calculated individually for each plant.

Sometimes an air-cooled condenser is installed before a shell and tube condensers to save on fresh water consumption.

Case Studies

Proven success across 300+ installations worldwide. Discover how ASTW’s turnkey fishmeal and rendering solutions have helped global clients achieve superior efficiency, reduce operational costs, and exceed environmental compliance standards.

Processing Ltd.

ASTW delivered a turnkey fishmeal plant in eastern Thailand, designed for lean fish and marine by-products. The project included full installation, energy-saving systems, and odor control to comply with local environmental regulations. Key Equipment 3-Phase Decanter LTR Disc Dryer Preheater Twin Screw Press WHE

FAQ

Proven success across 300+ installations worldwide. Discover how ASTW’s turnkey fishmeal and rendering solutions have helped global clients achieve superior efficiency, reduce operational costs, and exceed environmental compliance standards.

Our fishmeal and rendering plants process various raw materials including fish waste and by-products, poultry offal and feathers, beef and pork by-products, mixed animal waste, and seafood processing waste. Each plant is customized for specific material types to ensure optimal processing efficiency and product quality.

Yes, ASTW delivers complete turnkey solutions including engineering design, equipment manufacturing, worldwide shipping, on-site installation, system commissioning, operator training, and ongoing technical support. Our 40+ certified technicians handle projects from concept to full operation across 36+ countries.

We provide comprehensive 24-month equipment warranty, 5-year major component guarantee, lifetime technical support, global spare parts availability, preventive maintenance programs, and 24/7 emergency service. Our service network ensures minimal downtime and maximum plant performance.

Absolutely. Our plants include advanced odor control systems (biofilters, scrubbers, thermal oxidizers), environmental monitoring equipment, waste heat recovery systems, and compliance with international environmental standards including EU, EPA, and local regulations worldwide.

Emergency spare parts are available within 24-48 hours for critical components through our global distribution network. Standard parts ship within 5-7 business days. We maintain strategic inventory locations in Asia, Europe, and Americas to ensure rapid delivery worldwide.

Our plants range from 50 tons/day for smaller operations to 600+ tons/day for large-scale industrial facilities. We design custom solutions based on your raw material volume, product requirements, site conditions, and future expansion plans.

ASTW Fishmeal Plants A & S Thai Works Co., Ltd.
Privacy Overview

This website uses cookies so that we can provide you with the best user experience possible. Cookie information is stored in your browser and performs functions such as recognising you when you return to our website and helping our team to understand which sections of the website you find most interesting and useful.